Sadalītāji
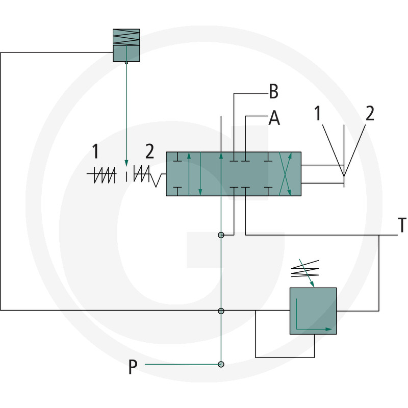
Sadalītājs P81 A3 G, malkas skaldītājam
134.38 €
€8735
Preču cena norādīta ar iekļautu PVN 21%.
Norādītā cena ir spēkā, pasūtot preci 05.03.2026.
Norādītā cena ir spēkā, pasūtot preci 05.03.2026.
Sadalītājs P81 A3 G, malkas skaldītājam
GRANIT P81 A3 G ir izturīgs un uzticams hidrauliskais sadalītājs, kas paredzēts malkas skaldītājiem un citām līdzīgām hidrauliskām iekārtām. Manuālā vadība nodrošina vienkāršu un precīzu kontroli, savukārt robustā čuguna/lietā tērauda konstrukcija garantē ilgu kalpošanas laiku arī intensīvos darba apstākļos.
Vārsts ir piemērots sistēmām ar lielu plūsmu un nodrošina stabilu darbību gan pie augsta spiediena, gan mainīgas slodzes apstākļos.
Tehniskie dati:
-
Savienojums P (BSP): G 3/4"
-
Savienojums T (BSP): G 3/4"
-
Savienojumi A/B (BSP): G 1/2"
-
Sviru skaits: 1
-
Nominālais darba spiediens (P): 250 bar
-
Nominālais darba spiediens (A/B): 300 bar
-
Nominālais darba spiediens (T): 10 bar
-
Nominālā plūsma: 16–80 l/min
-
Maks. plūsma: 80 l/min
-
Eļļas temperatūra: –15 °C līdz +80 °C
-
Izpildījums: monobloka vārsts, lietā tērauda korpuss
-
Piesārņojuma klase: 10 saskaņā ar NAS 1638
-
Iekšējā noplūde: apm. 20 cm³/min pie 120 bar








